Stepper Motor Half Stepping

Visit StepperMotorDatasheet.net for the latest news and tips about all types of stepper motors….

Time-lapse Photography – Wikipedia, The Free Encyclopedia
Normally, this means the exposure time should be half his own motion control equipment that utilized stepper motors to pan, tilt and dolly the camera. … Read Article

Stepper Motor Half Stepping

Stepping Motors Fundamentals
Types of stepping motors: variable reluctance, permanent magnet and hybrid. Single-stepping, halfstepping, microstepping and current limiting are all stepper motor drive techniques that are well within the … Retrieve Document

Images of Stepper Motor Half Stepping

Lecture 8. Stepper Motors
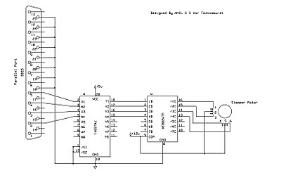
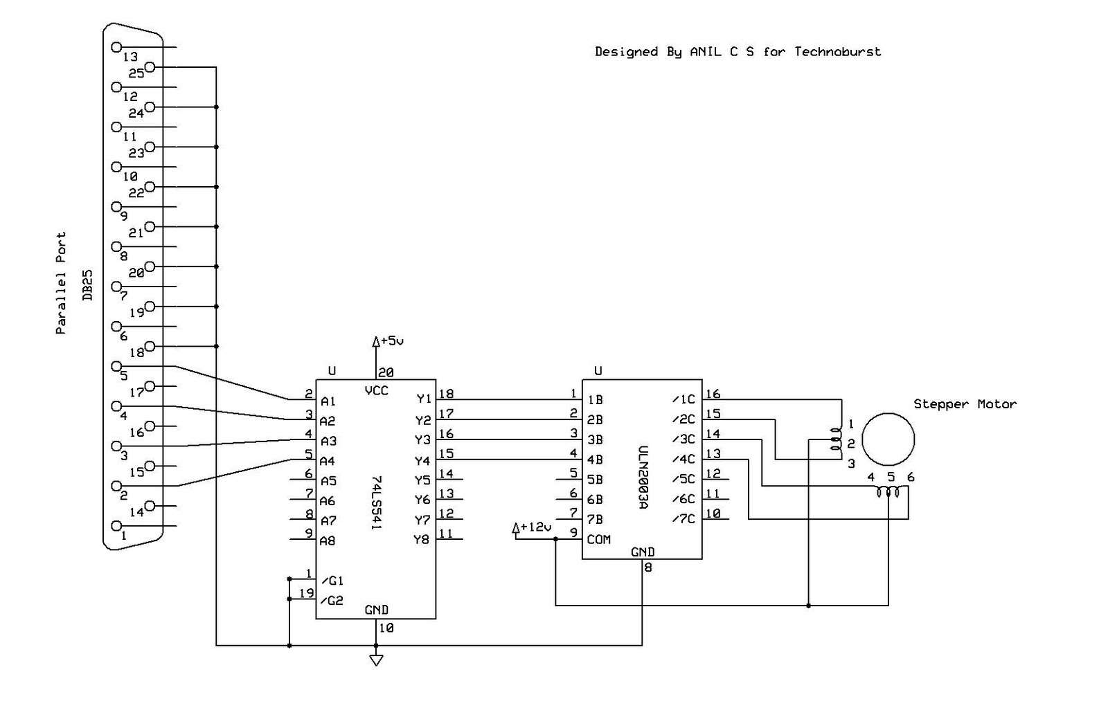
STEP SEQUENCING There are three modes of operation when using a stepper motor. The mode of operation is determined by the step sequence applied. The three step sequences are: Wave Full H = HIGH = +V Half Stepping L = LOW = 0V … Retrieve Document

Stepper Motor Half Stepping Pictures

PowerPoint Presentation
Half Stepper Motor This animation shows the stepping pattern for a halfstep stepper motor. The commutation sequence for a halfstep stepper motor has eight steps instead of four. … Visit Document

Stepper Motor Half Stepping Photos

8-bit – Microcontrollers
By powering both windings simultaneous, the stepper motor is trapped between the positions obtained when full-stepping, also known as halfstepping. … Return Doc

Brobahn – YouTube
1:04 Watch Later Error two way stepping by tigertalar 1,051 views; 1:04 Watch Later Error 2:00 Watch Later Error Half a turbine by tigertalar 3,372 views; 0:24 Watch Later Error in search for a contollerless Stepper motor by tigertalar 7,186 views … View Video

Stepper Motor Half Stepping Photos

Stepper Motor System Basics (Rev. 5/2010)
STEP MODES Stepper motor "step modes" include Full, Half and Microstep. The type of step mode output of any motor is dependent on the design of the driver. FULL STEP Standard (hybrid) stepping motors have 200 rotor teeth, or 200 full steps per revolution of the motor shaft. … Return Doc

Pictures of Stepper Motor Half Stepping

Half stepping Techniques
1 Figure 1. Two phase stepper motor. Figure 2. Direction and amplitude of the magnetic field. By operating a stepper motor in half step-ping mode it is possible to improve system … Read Full Source

Glossary Of Ballet – Wikipedia, The Free Encyclopedia
A fast sequence of half turns performed by stepping onto one leg, and completing the turn by stepping onto the other, the dancers stepping high on the toes and with the legs held very close together. … Read Article

Images of Stepper Motor Half Stepping

Stepper Motors
– To execute full stepping of a stepper motor, either one-phase-on switching or two-phase-on switching is used exclusively at every step. – For half stepping, phase switching alternates between one- … Content Retrieval

Stepper Motor Half Stepping Images

Half stepping Techniques
By operating a stepper motor in half stepping mode it is possible to improve system performance in regard to higher resolution and reduction of resonances. … Retrieve Here

Prototype Stepper Driver 2 – YouTube
LED on the left shows clock, LEDs on the right show the stepper coils that are active. The chip features logic inputs for direction and half/microstepping. Full stepping is featured in this video. 5:35 Watch Later Error Stepper Motor Controller by PapaJames 172,230 views … View Video

How To Set Your Pedometer – Measuring And Setting Stride …
Half Marathon & Marathon; Blisters and Heel Pain; Get Healthy Walking; What to Eat and Drink; Walking Clubs and Partners; Trails, Walk Events & Tours; Walking Clothing & Gear … Read Article

Stepper Motor Half Stepping Images

EDE1204 Bi-Polar Stepper Motor IC 1 = 'STEP' Mode, 0 = 'RUN …
Wire) stepper motor. The EDE1204 is capable of self-clocking in the free-standing 'RUN' mode, as well as external clocking in the 'STEP' mode. In addition, halfstepping and directional control are … Read Document

Images of Stepper Motor Half Stepping

Stepper Motor System Basics – 1 Of 9 8/7/00 3:26 PM Step
Ams2000.com stepper motor system basics i. stepper motor systems overview – introduction 2. stepping motors types of stepping motors variable reluctance permanent magnet hybrid motor windings unifilar bifilar step modes full step half step microstep design considerations inductance series … Visit Document

Stepper Motor Half Stepping Photos

STEPPER MOTORS
Depending on the number of poles in the stator, a stepper motor has the ability to either full step, or half step. Full stepping with a 4 pole stator is where 2 coils are energized at a time, so that the center of the two poles is the center point of the step. … Doc Retrieval

Piezoelectricity – Wikipedia, The Free Encyclopedia
Due to the extremely small distances involved, the piezo motor is viewed as a high-precision replacement for the stepper motor. Stepping piezo motor, using stick-slip effect. All these motors, except the stepping stick-slip motor work on the same principle. … Read Article

Allegro A3985 Test: 1.8 Deg Per Second, 1/32 Microstepping …
0:54 Watch Later Error Stepper Motor: Basics of Microstepping by anaheimautomation 618 views 0:34 Watch Later Error Comparing a 1/2 Step driver to 10x micro-stepping driver by Soigeneris 0:33 Watch Later Error Allegro A3985 test: Halfstep mode, high speed by pspostvids 191 … View Video

Stepper Motor Half Stepping Pictures

TMC428 – Application Note
Writing a value of 6 into the i_s_v0 register, automatic current scaling down to 550 mA is done for the L9935 if the associated stepper motor is at rest. Restrictions using Half Stepping with L9935 No step must be done with the L9935 after power-on of the TMC428 before setting the usrs register to 1. … Visit Document